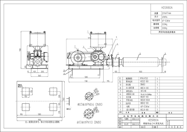
三葉羅茨風機圖紙下載80口徑型號5.5kw電機配置,原創!

下載地址鏈接:提取碼:zcog
以上圖紙為華東風機原創,存儲于百度網盤中,使用百度賬號進行提取即可。
華東風機專業生產羅茨鼓風機,如果有任何問題,可以聯系我們的全國免費客服熱線4008-797-786
推薦閱讀:免費下載資料
最新產品
同類文章排行
- 公示:山東華東風機有限公司2020年度社會責任報告
- 磁懸浮鼓風機技術協議(免費下載)
- 羅茨風機產品說明書免費掃碼下載
- 三葉羅茨鼓風機圖紙HDSR100B免費下載
- 羅茨鼓風機型號對照樣本參數表下載!點開這里!
- HDSR250S 4P-75KW三葉型羅茨鼓風機圖紙下載
- HDSR250B水冷型羅茨風機4P-160KW,帶消音房圖紙下載
- 粉煤灰氣力輸送系統計算定制,電子版書籍!免費
- 離心式蒸汽壓縮機裝配組裝資料免費分享!
- 三葉羅茨風機圖紙下載80口徑型號5.5kw電機配置,原創!
最新資訊文章
您的瀏覽歷史







